Logano plus SB625-310 (BUDERUS)

Buderus značka - náhradní díly
Obrázek konstrukční skupiny
10
10
11
12
13
14
16
17
18
19
2
20
21
22
25
25
26
3
4
4
4
5
5
6
6
7
8
9
Obrázek konstrukční skupiny
1
10
11
11
11
11
11
11
11
11
11
11
11
11
11
11
11
11
11
12
13
13
2
3
4
5
5
6
7
8
9
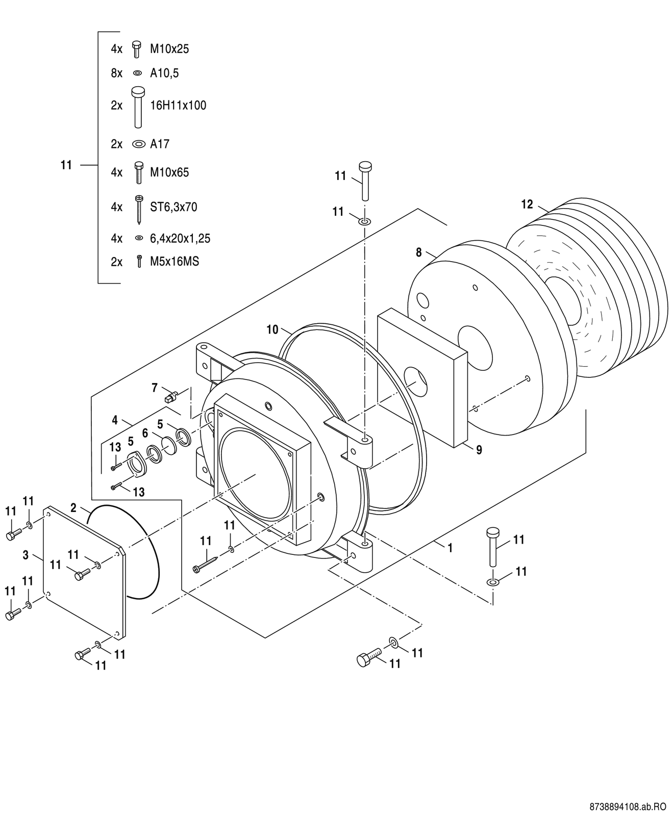
Obrázek konstrukční skupiny
1
1
10
12
12
13
14
15
16
17
17
18
19
2
20
21
22
22
22
22
22
22
22
22
22
22
22
22
3
3
4
5
7
8
8
9
Obrázek konstrukční skupiny
1
10
11
12
14
2
3
4
5
6
6
6
6
6
6
6
6
6
7
7
7
8
9
Obrázek konstrukční skupiny
1
10
11
2
3
4
5
6
7
8
9
9
9
9
9
9
9
Obrázek konstrukční skupiny
1
2
3
3
3
4
4
5
6
7
Parametry produktu
  • Název: Logano plus SB625-310
  • Obj. číslo: 7 736 603 209
  • EAN: 4057749738370
  • Produktová řada: SB625
  • Název produktu: Logano plus
  • Produktová kategorie: Komerční stacionární kondenzační kotel
  • Konec výroby: -