Logamax U154-20K G20 V2 (BUDERUS)

Buderus značka - náhradní díly
Obrázek konstrukční skupiny
1
10
10
11
12
13
14
15
16
17
18
19
2
2
2
2
20
21
22
23
24
25
25
25
26
3
4
5
6
7
8
9
Obrázek konstrukční skupiny
1
10
11
2
3
4
4
5
6
6
7
8
9
Obrázek konstrukční skupiny
1
2
3
4
5
5
6
6
6
7
8
8
8
8
9
9
Obrázek konstrukční skupiny
1
10
2
3
3
3
4
4
5
6
7
8
9
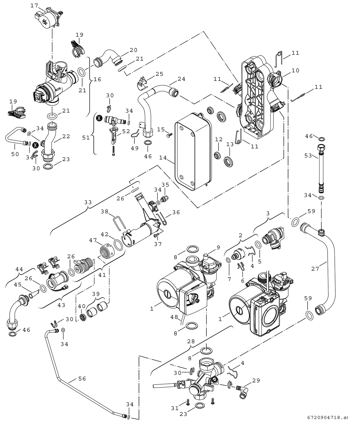
Obrázek konstrukční skupiny
1
1
10
11
11
11
11
12
13
14
15
16
17
19
19
2
20
21
21
21
22
23
23
24
25
26
26
26
27
28
29
3
30
30
30
30
31
33
34
34
34
34
34
34
34
35
36
37
38
39
4
4
40
41
42
43
44
45
46
46
46
47
48
49
5
50
51
52
53
56
59
59
6
7
8
8
8
9
Obrázek konstrukční skupiny
10
11
12
13
14
15
16
17
18
19
2
20
21
22
23
24
26
3
30
31
4
5
6
7
8
9
Obrázek konstrukční skupiny
1
2
2
3
3
4
5
6
7
7
8
8
8
Parametry produktu
  • Název: Logamax U154-20K G20 V2
  • Obj. číslo: 7 736 900 304
  • EAN: 4054925621013
  • Produktová řada: U154
  • Název produktu: Logamax
  • Produktová kategorie: Nástěnný plynový atmosférický kotel
  • Zahájení výroby: 28.11.2014
  • Konec výroby: 20.12.2017